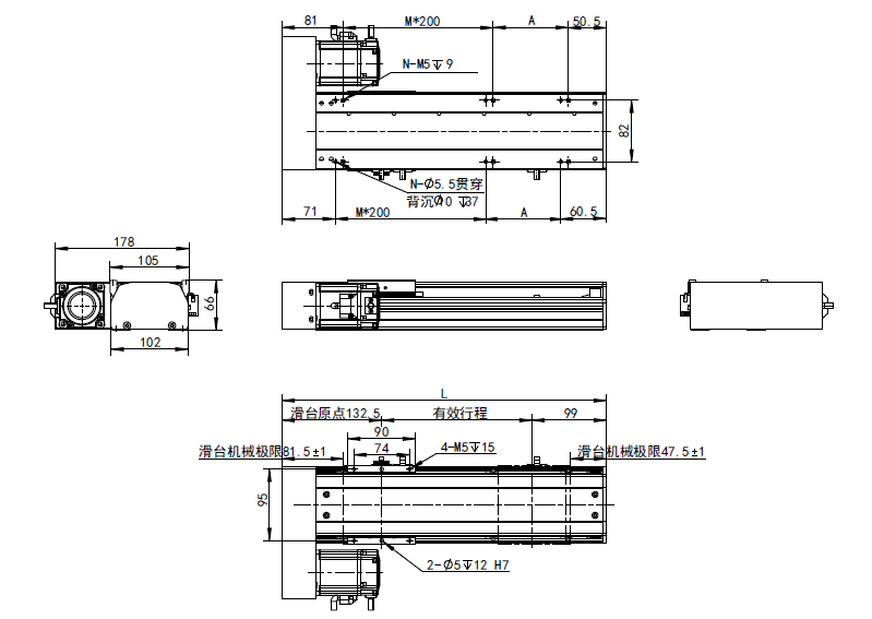
伺服模组平台LSS100
最大行程 1050mm;最高速度 1600mm/s;马达容量200W
滚珠螺杆 Ø16 mm;直线滑轨 20×18-1支
| 马达内置 仅适用100W电机 |
| 有效行程 |
100 |
150 |
200 |
250 |
300 |
350 |
400 |
450 |
500 |
550 |
600 |
650 |
700 |
750 |
800 |
850 |
900 |
950 |
1000 |
1050 |
| L |
467 |
517 |
567 |
617 |
667 |
717 |
767 |
817 |
867 |
917 |
967 |
1017 |
1067 |
1117 |
1167 |
1217 |
1267 |
1317 |
1367 |
1417 |
| A |
200 |
50 |
100 |
150 |
200 |
50 |
100 |
150 |
200 |
50 |
100 |
150 |
200 |
50 |
100 |
150 |
200 |
50 |
100 |
150 |
| M |
0 |
1 |
1 |
1 |
1 |
2 |
2 |
2 |
2 |
3 |
3 |
3 |
3 |
4 |
4 |
4 |
4 |
5 |
5 |
5 |
| N |
4 |
6 |
6 |
6 |
6 |
8 |
8 |
8 |
8 |
10 |
10 |
10 |
10 |
12 |
12 |
12 |
12 |
14 |
14 |
14 |
| KG |
4.98 |
5.36 |
5.74 |
6.12 |
6.5 |
6.88 |
7.26 |
7.64 |
8.02 |
8.4 |
8.78 |
9.16 |
9.54 |
9.92 |
10.3 |
10.68 |
11.06 |
11.44 |
11.82 |
12.2 |
 |
| 马达外露 |
| 有效行程 |
100 |
150 |
200 |
250 |
300 |
350 |
400 |
450 |
500 |
550 |
600 |
650 |
700 |
750 |
800 |
850 |
900 |
950 |
1000 |
1050 |
| L |
350.5 |
400.5 |
450.5 |
500.5 |
550.5 |
600.5 |
650.5 |
700.5 |
750.5 |
800.5 |
850.5 |
900.5 |
950.5 |
1000.5 |
1050.5 |
1100.5 |
1150.5 |
1200.5 |
1250.5 |
1300.5 |
| A |
200 |
50 |
100 |
150 |
200 |
50 |
100 |
150 |
200 |
50 |
100 |
150 |
200 |
50 |
100 |
150 |
200 |
50 |
100 |
150 |
| M |
0 |
1 |
1 |
1 |
1 |
2 |
2 |
2 |
2 |
3 |
3 |
3 |
3 |
4 |
4 |
4 |
4 |
5 |
5 |
5 |
| N |
4 |
6 |
6 |
6 |
6 |
8 |
8 |
8 |
8 |
10 |
10 |
10 |
10 |
12 |
12 |
12 |
12 |
14 |
14 |
14 |
| KG |
5.32 |
5.7 |
6.08 |
6.46 |
6.84 |
7.22 |
7.6 |
7.98 |
8.36 |
8.74 |
9.12 |
9.5 |
9.88 |
10.26 |
10.64 |
11.02 |
11.4 |
11.78 |
12.16 |
12.54 |
 |
| 马达下折 |
| 有效行程 |
100 |
150 |
200 |
250 |
300 |
350 |
400 |
450 |
500 |
550 |
600 |
650 |
700 |
750 |
800 |
850 |
900 |
950 |
1000 |
1050 |
| L |
331.5 |
381.5 |
431.5 |
481.5 |
531.5 |
581.5 |
631.5 |
681.5 |
731.5 |
781.5 |
831.5 |
881.5 |
931.5 |
981.5 |
1031.5 |
1081.5 |
1131.5 |
1181.5 |
1231.5 |
1281.5 |
| A |
200 |
50 |
100 |
150 |
200 |
50 |
100 |
150 |
200 |
50 |
100 |
150 |
200 |
50 |
100 |
150 |
200 |
50 |
100 |
150 |
| M |
0 |
1 |
1 |
1 |
1 |
2 |
2 |
2 |
2 |
3 |
3 |
3 |
3 |
4 |
4 |
4 |
4 |
5 |
5 |
5 |
| N |
4 |
6 |
6 |
6 |
6 |
8 |
8 |
8 |
8 |
10 |
10 |
10 |
10 |
12 |
12 |
12 |
12 |
14 |
14 |
14 |
| KG |
5.52 |
5.93 |
6.34 |
6.75 |
7.16 |
7.57 |
7.98 |
8.39 |
8.8 |
9.21 |
9.62 |
10.03 |
10.44 |
10.85 |
11.26 |
11.67 |
12.08 |
12.49 |
12.9 |
13.31 |
 |
| 马达左折 |
| 有效行程 |
100 |
150 |
200 |
250 |
300 |
350 |
400 |
450 |
500 |
550 |
600 |
650 |
700 |
750 |
800 |
850 |
900 |
950 |
1000 |
1050 |
| L |
331.5 |
381.5 |
431.5 |
481.5 |
531.5 |
581.5 |
631.5 |
681.5 |
731.5 |
781.5 |
831.5 |
881.5 |
931.5 |
981.5 |
1031.5 |
1081.5 |
1131.5 |
1181.5 |
1231.5 |
1281.5 |
| A |
200 |
50 |
100 |
150 |
200 |
50 |
100 |
150 |
200 |
50 |
100 |
150 |
200 |
50 |
100 |
150 |
200 |
50 |
100 |
150 |
| M |
0 |
1 |
1 |
1 |
1 |
2 |
2 |
2 |
2 |
3 |
3 |
3 |
3 |
4 |
4 |
4 |
4 |
5 |
5 |
5 |
| N |
4 |
6 |
6 |
6 |
6 |
8 |
8 |
8 |
8 |
10 |
10 |
10 |
10 |
12 |
12 |
12 |
12 |
14 |
14 |
14 |
| KG |
5.52 |
5.93 |
6.34 |
6.75 |
7.16 |
7.57 |
7.98 |
8.39 |
8.8 |
9.21 |
9.62 |
10.03 |
10.44 |
10.85 |
11.26 |
11.67 |
12.08 |
12.49 |
12.9 |
13.31 |
 |
| 马达右折 |
|
| 有效行程 |
100 |
150 |
200 |
250 |
300 |
350 |
400 |
450 |
500 |
550 |
600 |
650 |
700 |
750 |
800 |
850 |
900 |
950 |
1000 |
1050 |
| L |
331.5 |
381.5 |
431.5 |
481.5 |
531.5 |
581.5 |
631.5 |
681.5 |
731.5 |
781.5 |
831.5 |
881.5 |
931.5 |
981.5 |
1031.5 |
1081.5 |
1131.5 |
1181.5 |
1231.5 |
1281.5 |
| A |
200 |
50 |
100 |
150 |
200 |
50 |
100 |
150 |
200 |
50 |
100 |
150 |
200 |
50 |
100 |
150 |
200 |
50 |
100 |
150 |
| M |
0 |
1 |
1 |
1 |
1 |
2 |
2 |
2 |
2 |
3 |
3 |
3 |
3 |
4 |
4 |
4 |
4 |
5 |
5 |
5 |
| N |
4 |
6 |
6 |
6 |
6 |
8 |
8 |
8 |
8 |
10 |
10 |
10 |
10 |
12 |
12 |
12 |
12 |
14 |
14 |
14 |
| KG |
5.52 |
5.93 |
6.34 |
6.75 |
7.16 |
7.57 |
7.98 |
8.39 |
8.8 |
9.21 |
9.62 |
10.03 |
10.44 |
10.85 |
11.26 |
11.67 |
12.08 |
12.49 |
12.9 |
13.31 |
 |